Bionic Hand

Role
Mechanical Design
Year
2023

Overview

The Bionic Hand project set out to design and build a simple, reliable mechanical prosthesis that enables a bilateral amputee to pick up and carry a 10 kg bag of groceries within five seconds and walk 20 m while holding it. Our team of six engineered a four-fingered gripper mounted on a wooden forearm-sized base, activated by a single button press to ensure ease of use without requiring the user’s opposite limb.

3D-printed assembly

My Role

I conceived the base idea and led the concept design of the bionic hand, creating detailed CAD models in SolidWorks. I then prepared technical drawings for each component and managed the 3D printing process to bring the design to life.

Technical Drawings

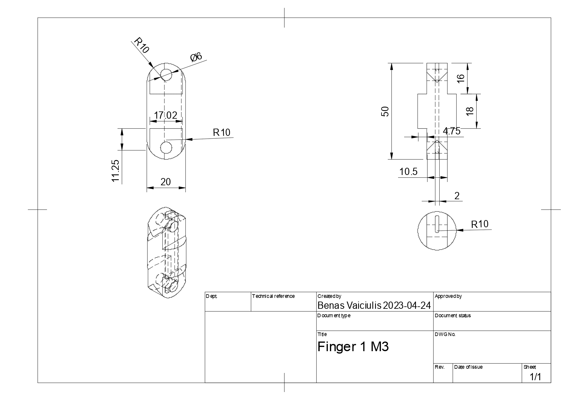
Technical drawing of Finger 1
Finger 1: Proximal segment linking palm and middle phalanx
Technical drawing of Finger 2
Finger 2: Distal phalanx (finger tip) design
Technical drawing of Palm
Palm: Central hub connecting all four fingers
Download PDF Report